1. Gas-fired burner.
2. Two-stage sliding/modulating working.
3. Air-gas mixing at blast-pipe.
4. Ability to obtain optimal combustion values by regulating combustion air and blast-pipe.
5. The hinge connection, can be opened naturally.
6. Maintenance facilitated by the fact that the atomisation unit can be removed without having to remove the burner from the boiler.
7. The burner is paused, close the throttle to reduce the loss of furnace heat.
8. The servo motor which fixed with a cam can adjust the consumption for fuel and air.
9. One flange and one insulating seal for boiler fastening.
10.Combustion air intake with air flow adjustment device.
11.Sliding boiler coupling flange to adapt to head protrusion of the various types of boilers.
12.Three-phase electric motor to run fan.
13.Flame presence check by ionisation electrode.
14.Electrical plant protection rating IP40
Products
BT400/600G CTwo stage/Sliding/Modulating Gas Burner
Product Model
BT400GC

| power | Model | Art No. | Power supply |
Motor power
kW |
packing Size
L x P x H mm |
Net weight
kg |
| 400~3950 | BT400GC | 201 22 311 | 380V 50Hz | 9 | 1620x1200x960 | 310 |
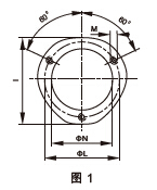
| Model | A | B1 | B2 | C | D | E | F | N | L | I | 圖號 | M |
| mm | mm | mm | mm | mm | Φmm | Φmm | Φmm | Φmm | mm | Drawing NO. | M | |
| BT400GC | 880 | 570 | 260 | 1850 | 275~450 | 356 | 273 | 365 | 400~520 | 550 | 圖1 | 3-M20 |
BT600GC


| power | Model | Art No. | Power supply |
Motor power
kW |
packing Size
L x P x H mm |
Net weight
kg |
| 800~5400 | BT600GC | 201 22 317 | 380V 50Hz | 15 | 1620x1200x960 | 350 |
| Model | A | B1 | B2 | C | D | E | F | N | L | I | 圖號 | M |
| mm | mm | mm | mm | mm | Φmm | Φmm | Φmm | Φmm | mm | Drawing NO. | M | |
| BT600GC | 1025 | 580 | 330 | 1800 | 500 | 365 | 325 | 380 | 520 | 580 | 圖2 | 6-M20 |






