1.Light oil burner.
2.Two-stage sliding/modulating/electronic working.
3.High pressure mechanical atomisation of fuel using nozzle.
4. Ability to obtain optimal combustion values by regulating combustion air and blast-pipe.
5. Maintenance facilitated by the fact that the atomisation unit can be removed without having to remove the burner from the boiler.
6.Sliding/modulating Minimum and maximum air flow regulation for first and second stage by means of electric servomotor with pause closure of gate to prevent any heat dispersion to flue.
7.Electronic with two servo motor control the proportion of fuel and air regulation.
8.Pauses burner, air door closed in order to reduce heat loss in the furnace.
9.The servo motor which fixed with a cam can adjust the consumption for fuel and air.
10.It adapts one flange and heat-resistance insulated pad to connect with boiler.
11.High temperature resistant stainless steel disc burner flame.
12.Independent three-phase motor driven oil pump.
13.Flame presence check by photoresistance.
14.Electrical plant protection rating Ip40.
Products
BTN1200/1500LC/LESliding/Modulating/Electronic proportional Light Oil Burner
Product Model
BTN1200LC/LE


| power | Model | Max Viscldity | Power supply |
Motor power
kW |
packing Size
L x P x H mm |
Net weight
kg |
| 1715~12000 | BTN1200LC/LE | 1.5 | 380V 50Hz | 37 | 2240x1820x1800 | 782 |
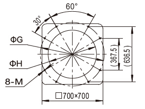
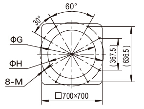
| Model | A | B | C | D | E | F | G | H | M |
| mm | mm | mm | mm | Φmm | Φmm | Φmm | Φmm | M | |
| BTN1200LC/LE | 1530 | 1520 | 2070 | 462 | 510 | 536 | 735 | 556 | 8-M16 |
BTN1500LC/LE


| power | Model | Max Viscldity | Power supply |
Motor power
kW |
packing Size
L x P x H mm |
Net weight
kg |
| 1715~14000 | BTN1500LC/LE | 1.5 | 380V 50Hz | 45 | 2240x1820x1800 | 832 |
| Model | A | B | C | D | E | F | G | H | M |
| mm | mm | mm | mm | Φmm | Φmm | Φmm | Φmm | M | |
| BTN1500LC/LE | 1530 | 1520 | 2070 | 462 | 510 | 536 | 735 | 556 | 8-M16 |






