1.Alternate methane gas/light oil burner.
2. Two-stage sliding/modulating/electronic working.
3. Air-gas mixing at blast-pipe and high pressure mechanical atomisation of fuel using nozzle.
4. Ability to obtain optimal combustion values by regulating combustion air and blast-pipe.
5. Maintenance facilitated by the fact that the mixing unit and the atomisation unit can be removed without having to remove the burner from the boiler.
6. Sliding/Modulating minimum and maximum air flow regulation for first and second stage by means of electric servomotor with pause closure of gate to prevent any heat dispersion to flue.
7. Electronic proportional Using three-phase servo motor respectively to control ratio adjustion among gas ,oil and air.
8. Using a flange and high temperature resistant heat insulation pads connected to the boiler.
9. Combustion air intake with air flow adjustment device.
10.Burner air inlet with mute design.
11.High temperature resistant stainless steel disc burner flame.
12.Independent motor drives oil pump.
13.UV ultraviolet phototube detects flame.
14.Electrical plant protection rating Ip40.
Products
BTN1200/1500GLC/ GLESliding/Modulating/Electronic proportional Light oil &Gas Burner
Product Model
BTN1200GLC/GLE


| power | Model | Power supply |
Motor power
kW |
packing Size
L x P x H mm |
Net weight
kg |
| 1400 ~12000 | BTN1200GLC/GLE | 380V 50Hz | 37+4 | 2240x1820x1800 | 870 |
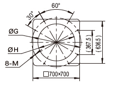
| Model | A | B | C | D | E | F | G | H | B1 | K | L | M |
| mm | mm | mm | mm | Φmm | Φmm | Φmm | mm | mm | mm | mm | M | |
| BTN1200GLC/GLE | 1530 | 1520 | 2070 | 462 | 536 | 510 | 735 | 556 | 634 | 218 | DN125 | 8-M16 |
BTN1500GLC/GLE


| power | Model | Power supply |
Motor power
kW |
packing Size
L x P x H mm |
Net weight
kg |
| 1715~14000 | BTN1500GLC/GLE | 380V 50Hz | 45+4 | 2240x1820x1800 | 900 |
| Model | A | B | C | D | E | F | G | H | B1 | K | L | M |
| mm | mm | mm | mm | Φmm | Φmm | Φmm | mm | mm | mm | mm | M | |
| BTN1500GLC/GLE | 1530 | 1520 | 2070 | 462 | 536 | 510 | 735 | 556 | 634 | 218 | DN125 | 8-M16 |






